32300 sraith Imthacaí sorcóir barrchaolaithe
32300 sraith Imthacaí sorcóir barrchaolaithe
32300 sraith Imthacaí sorcóir barrchaolaithe

32300 sraith

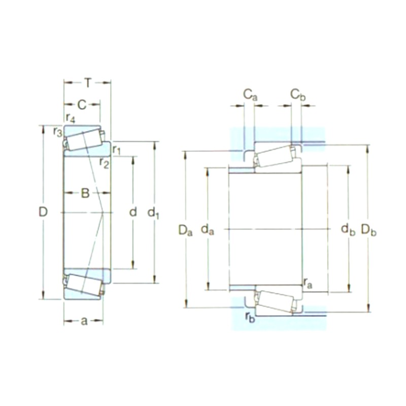
Tá an Imthacaí sorcóir barrchaolaithe sraith 32300 imthacaí inscartha ard-acmhainne atá deartha chun ualaí suntasacha gathacha agus aiseach a bhainistiú ag an am céanna. Tá céimseata inmheánach ghéar sa tsraith seo ina dtagann uillinneacha teagmhála an rásbhealaigh inmheánaigh (cón), an rásbhealach seachtrach (cupán), agus na rollóirí barrchaolaithe le chéile ag APEX coitianta ar an ais imthacaí. Cinntíonn an dearadh sonrach seo tairiscint rollta fíor agus cuimilte íseal le linn oibriú. Déanta as cruach chrome ard-íonachta, tá an tsraith 32300 tréithrithe ag a thrasghearradh níos mó agus trastomhas sorcóir méadaithe i gcomparáid leis an tsraith chaighdeánach, ag soláthar cumas ualachiompartha feabhsaithe agus rigidity struchtúrach. De ghnáth, suitear na himthacaí seo i mbeirteanna chun srianadh aiseach déthreoch a bhaint amach, rud a fhágann gur comhpháirteanna bunúsacha iad i dtarchur cumhachta meicniúla tromshaothair agus tionóil acastóra feithicle.

Seol Fiosrúchán

Sonraíochtaí Teicniúla agus Próifíl Feidhmíochta: Imthacaí sorcóir barrchaolaithe sraith 32300

Buntáistí Teicniúla Croí

  • Bainistíocht Luchtaithe Comhcheangailte: Innealtóireacht chun tacú le sá ard-méid agus fórsaí gathacha trí optamaithe uillinneacha teagmhála barrchaolaithe .
  • Comhpháirteanna Scartha: Tá an cupán agus an tionól cón (rollóirí agus cage) insuite go neamhspleách, rud a éascaíonn cothabháil agus coigeartú imréiteach beachtas .
  • Cobhsaíocht Ardtoiseach: Cinntíonn próisis cóireála teasa speisialaithe go gcoimeádann an t-imthaca a lamháltais gheoiméadracha faoi choinníollacha teirmeacha luaineacha.
  • Frithchuimilt Oibríochtúil Íseal: Íoslaghdaíonn rásbhealaí beachtas-talamh roughness dromchla, ag laghdú chasmhóiminte agus teas a thógáil le linn rothlú ardluais .

Tréithe Teicniúla

Sonraíocht Ábhar GCr15 Ard-Carbóin Cróimiam Bearing Cruach
Ábhar Cage Cruach Brúite / Prás Meaisínithe (Ag brath ar an Iarratas)
Grád Beachtais P0 (Gnáth), P6, P5
Cineál Luchtaithe Gathach Ard Aiseach Aontreoch
Raon Teochta -30°C go 120°C (Bealúchán Caighdeánach)

Cásanna Feidhmithe Príomhúla

  • Traenacha Cumhachta Feithicleach: Moil rotha trucail tromshaothair, difreálaithe , agus córais tarchurtha.
  • Innealra Tionscail: Comhpháirteanna príomhúla i aonaid laghdaithe giarbhosca , muilte rollta, agus trealamh mianadóireachta.
  • Trealamh Tógála: Comhtháite isteach sa tiomáint deiridh tionóil tochailteoirí agus ollscartairí éilíonn friotaíocht ualach turraing .
  • Innealtóireacht Talmhaíochta: Pointí maighde ard-strus agus seaftaí tiomána i dtaracóirí agus in innealra buain.

Prótacail Suiteála agus Cothabhála

Stóráil agus Láimhseáil

Ba chóir imthacaí a stóráil i dtimpeallacht ghlan, thirim le a teocht tairiseach chun comhdhlúthú taise a chosc. Caithfidh an sciath ramhar cosanta bunaidh fanacht slán; ná bain an pacáistiú frith-meirge go dtí an nóiméad suiteála. Seachain cruachadh ingearach thar airde sonraithe lena chosc dífhoirmiúchán éilipseach de na fáinní.

Réamhchúraimí Úsáide

  • Coigeartú Imréitigh Aiseach: Le linn tionóil, beidh an endplay nó réamhluchtú a shocrú go cruinn de réir sonraíochtaí an mhonaróra chun tuirse nó róthéamh roimh am a sheachaint.
  • Rialú Éillithe: A chinntiú go bhfuil an tithíocht agus an seafta saor ó cháithníní scríobacha; úsáid rónta comhoiriúnacha chun íonacht bealaí a choinneáil i dtimpeallachtaí lasmuigh nó deannaigh.
  • Roghnú Bealaithe: Úsáid Breiseáin Brú Foircní (EP). i greases d'iarratais a bhaineann le hualaí turrainge troma chun scannán ola leordhóthanach a choinneáil idir na rollóirí agus na rásbhealaí.
  • Fíorú Ailínithe: Cinntigh comhlárnacht seafta-go-tithíocht laistigh de theorainneacha sonraithe chun luchtú imeall ar na rollóirí barrchaolaithe a chosc.

Paraiméadair Táirge

Ainmniú Príomhthoisí (mm) Rátálacha ualaigh bunúsacha (KN) Pu Rátálacha luais (rpm) Meáchan(Kg) ISO335 Toisí (mm) Toisí teannta agus filléid (mm) Luach
d1 D b dyc(cr) stc(Cor) Rátálacha Luais Luas a Theorannú Toisí (AbMA) d d1~ b C r1,2(nóiméad) r3,4(nóiméad) a da(uas) db(nóiméad) da(nóim) da(uas) Db(nóiméad) Ca(nóim) Cb(nóiméad) ra(uas) rb(uas) e Y
32303J2/Q 17 47 20,25 40 33,5 3,65 12000 16000 0,17 2FD 17 30,7 19 16 1 1 12 24 23 39 41 43 3 4 1 1 0,28 2,1 1,1
32304J2/Q 20 52 22,25 51 45,5 5 12000 14000 0,23 2FD 20 34,5 21 18 1,5 1,5 14 27 27 43 45 47 3 4 1,5 1,5 0,3 2 1,1
32305J2 25 62 25,25 60,5 63 7,1 8000 12000 0,36 2FD 25 41,7 24 20 1,5 1,5 15 33 32 52 55 57 3 5 1,5 1,5 0,3 2 1,1
32306J2/Q 30 72 28,75 88 85 9,65 7500 10000 0,55 2FD 30 48,7 27 23 1,5 1,5 18 39 37 59 65 66 3 5,5 1,5 1,5 0,31 1,9 1,1
32307J2/Q 35 80 32,75 95,2 106 12,2 6700 9000 0,73 2FE 35 54,8 31 25 2 1,5 20 44 44 66 71 74 4 7,5 2 1,5 0,31 1,9 1,1
32307BJ2/Q 35 80 32,75 93,5 114 13,2 6300 8500 0,80 5FE 35 59,3 31 25 2 1,5 24 42 44 61 71 76 4 7,5 2 1,5 0,54 1,1 0,6
32307/37BJ2/Q 37 80 32,75 93,5 114 13,2 6300 8500 0,85 - 37 54,8 31 25 2 1,5 20 44 44 66 71 74 4 7,5 2 1,5 0,54 1,1 0,6
32308J2/Q 40 90 35,25 117 140 16 5300 8000 1,00 2FD 40 62,9 33 27 2 1,5 23 51 49 73 81 82 3 8 2 1,5 0,35 1,7 0,9
32309J2/Q 45 100 38,25 140 170 20,4 4800 7000 1,35 2FD 45 70,4 36 30 2 1,5 25 57 53 82 91 93 4 8 2 1,5 0,35 1,7 0,9
32309BJ2/QCL7C 45 100 38,25 156 176 20 5000 6700 1,45 5FD 45 74,8 36 30 2 1,5 30 55 53 76 91 94 5 8 2 1,5 0,54 1,1 0,6
32310J2/Q 50 110 42,25 172 212 24 4300 6300 1,80 2FD 50 77,7 40 33 2,5 2 27 63 60 90 100 102 5 9 2 2 0,35 1,7 0,9
32310TN9 50 110 42,25 172 212 24 4300 6300 1,80 2FD 50 77,7 40 33 2,5 2 27 63 60 90 100 102 5 9 2 2 0,35 1,7 0,9
32310BJ2/QCL7C 50 110 42,25 183 216 24,5 4500 6000 1,85 5FD 50 82,9 40 33 2,5 2 34 62 60 83 100 103 5 9 2 2 0,54 1,1 0,6
32311J2 55 120 45,5 198 250 28,5 4000 5600 2,30 2FD 55 84,6 43 35 2,5 2 29 68 65 99 112 111 5 10,5 2 2 0,35 1,7 0,9
32311BJ2/QCL7C 55 120 45,5 216 260 30 4300 5600 2,50 5FD 55 90,5 43 35 2,5 2 36 67 65 91 112 112 5 10,5 2 2 0,54 1,1 0,6
32312J2/Q 60 130 48,5 229 290 34 3600 5300 2,85 2FD 60 91,7 46 37 3 2,5 31 74 72 107 118 120 6 11,5 2,5 2 0,35 1,7 0,9
32312BJ2/QCL7C 60 130 48,5 255 305 35,5 3800 5000 2,80 5FD 60 98,1 46 37 3 2,5 38 73 72 99 118 122 6 11,5 2,5 2 0,54 1,1 0,6
32313J2/Q 65 140 51 264 335 40 3400 4800 3,45 2GD 65 99,2 48 39 3 2,5 33 80 77 117 128 130 6 12 2,5 2 0,35 1,7 0,9
32313BJ2/QU4CL7CVQ267 65 140 51 285 345 40,5 3600 4800 3,35 5GD 65 105 48 39 3 2,5 41 79 77 107 128 131 6 12 2,5 2 0,54 1,1 0,6
32314J2/Q 70 150 54 297 380 45 3200 4500 4,30 2GD 70 106 51 42 3 2,5 36 86 82 125 138 140 6 12 2,5 2 0,35 1,7 0,9
32314BJ2/QCL7C 70 150 54 325 400 46,5 3400 4300 4,25 5GD 70 113 51 42 3 2,5 44 85 82 115 138 141 7 12 2,5 2 0,54 1,1 0,6
32315J2 75 160 58 336 440 51 3000 4300 5,20 2GD 75 113 55 45 3 2,5 38 92 87 133 148 149 7 13 2,5 2 0,35 1,7 0,9
32315BJ2/QCL7C 75 160 58 380 475 55 3200 4000 5,55 5GD 75 120 55 45 3 2,5 46 90 87 124 148 151 7 13 2,5 2 0,54 1,1 0,6
32316J2 80 170 61,5 380 500 57 3000 4300 6,20 2GD 80 120 58 48 3 2,5 41 98 92 142 158 159 7 13,5 2,5 2 0,35 1,7 0,9
32317J2 85 180 63,5 402 530 60 2800 4000 6,85 2GD 85 126 60 49 4 3 42 103 99 150 166 167 7 14,5 3 2,5 0,35 1,7 0,9
32317BJ2 85 180 63,5 391 560 62 2800 4000 7,50 5GD 85 135 60 49 4 3 52 102 99 138 166 169 7 14,5 3 2,5 0,54 1,1 0,6
32318J2 90 190 67,5 457 610 67 2600 4000 8,40 2GD 90 133 64 53 4 3 44 109 105 157 176 177 7 14,5 3 2,5 0,35 1,7 0,9
32319J2 95 200 71,5 501 670 72 2400 3400 11,0 2GD 95 141 67 55 4 3 47 115 110 166 186 186 8 16,5 3 2,5 0,35 1,7 0,9
32320J2 100 215 77,5 572 780 83 2200 3000 12,5 2GD 100 151 73 60 4 3 51 123 115 177 201 200 8 17,5 3 2,5 0,35 1,7 0,9
32321J2 105 225 81,5 605 815 85 2000 3000 14,5 2GD 105 158 77 63 4 3 53 129 120 185 211 209 9 18,5 3 2,5 0,35 1,7 0,9
32322 110 240 84,5 627 830 86,5 1900 2800 17,0 2GD 110 168 80 65 4 3 55 137 125 198 226 222 9 19,5 3 2,5 0,35 1,7 0,9
32324J2 120 260 90,5 792 1120 110 1800 2600 21,5 2GD 120 181 86 69 4 3 60 148 135 213 245 239 9 21,5 3 2,5 0,35 1,7 0,9

Maidir Yinin

Cuideachta imthacaí agus tarchuir Shanghai Yinin Bunaithe i 2009, le breis agus 20 bliain de thaithí i réimse na n-imthacaí. Is Monaróir 32300 sraith Imthacaí sorcóir barrchaolaithe Síneach muid agus soláthraímid Monarcha 32300 sraith Imthacaí sorcóir barrchaolaithe Saincheaptha. Ó 1999 i leith, táimid ag gníomhú mar ghníomhaire do mhonaróirí imthacaí na Síne, ag onnmhairiú imthacaí éagsúla. Sa lá atá inniu ann, táimid forbartha ina ngrúpa imthacaí cuimsitheach a chomhtháthaíonn díolacháin agus déantúsaíocht.

Feidhmchláir Tionscail

Tá ról an -tábhachtach ag imthacaí freisin in innealra talmhaíochta. Úsáidtear iad chun tacú le c...

Úsáidtear imthacaí go forleathan i ngluaisteáin. Is iad na príomhchodanna tacaíochta agus rothlac...

Úsáidte le haghaidh tacaíochta, airde, uillinn, comhpháirteach agus rothlach de threalamh leighis...

Úsáidte le haghaidh tacaíochta, uainíochta, mótair agus comhbhrúiteora de fhearais tí. $ $ $

Úsáidte le haghaidh uainíochta agus gluaiseachta tacaíochta agus treorach de threalamh uathoibrit...

I struchtúir foirgníochta, is féidir imthacaí a úsáid chun comhpháirteanna struchtúracha éagsúla ...

Sa phróiseas táirgthe bia agus deochanna, tá gá le caidéil chun leachtanna agus comhbhrúiteoirí a...

Baintear úsáid as imthacaí in aerárthaí agus innill spásárthaí chun tacú le comhpháirteanna rothl...

Nuacht agus Faisnéis

Foghlaim Tuilleadh

2026-04-30

Bearings Cruach Dhosmálta: Treoir maidir le Meirge, Mea...
Imthacaí cruach dhosmálta i measc na n-ábhar imthacaí is mó a úsáidtear i dtáirgí tionsclaíocha agus tomhaltóirí. Cuireann siad friotaíocht maith creimeadh ar fáil i bhformhór na dtimpeallach...

2026-04-23

Straitéisí Innealtóireachta chun Saol Seirbhíse a Bharr...
Déanann Shanghai Yinin Bearing & Transmission Company, a bunaíodh mar fhiontar comhtháite tionscail agus trádála ó 2016, speisialtóireacht i ndearadh agus déantúsaíocht chuimsitheach comhpháirteann...

2026-04-15

Conas an t-imréiteach inmheánach ceart a roghnú le hagh...
Tionchar Ardluais Rothlach ar Imréiteach Imthacaí Fórsa Lártheifeacha agus Leathnú Teirmeach : In iarratais ardluais, an fáinne istigh de an imthacaí liathróid sraithe dúbailte...

Déan Teagmháil Linn

SUBMIT

Comhairliúchán Teicniúil

  • Cuideachta imthacaí agus tarchuir Shanghai Yinin

    Réitigh Saincheaptha

  • Cuideachta imthacaí agus tarchuir Shanghai Yinin

    T&F Leanúnach

  • Cuideachta imthacaí agus tarchuir Shanghai Yinin

    Rialú Cáilíochta

  • Cuideachta imthacaí agus tarchuir Shanghai Yinin

    Tacaíocht agus Oiliúint Theicniúil

  • Cuideachta imthacaí agus tarchuir Shanghai Yinin

    Freagra Tapa

Má tá aon chomhairliúchán teicniúil nó aiseolas agat, cuirfimid an freagra is gairmiúla ar fáil duit a luaithe is féidir!

Déan Teagmháil Linn