Sraith 33100 Imthacaí sorcóir barrchaolaithe
Sraith 33100 Imthacaí sorcóir barrchaolaithe
Sraith 33100 Imthacaí sorcóir barrchaolaithe

Sraith 33100

Is éard atá i gceist le hiompar sorcóir barrchaolaithe 33100 sraith a úsáidtear go forleathan i dtrealamh meicniúil agus tá cumas den scoth aige agus friotaíocht a chaitheamh. Glacann an cineál seo imthacaí dearadh sorcóir barrchaolaithe, ar féidir leis an ualach a scaipeadh go héifeachtach agus a chur in oiriúint do fhórsaí gathacha agus aiseach mór. Tá na fáinní agus na rollóirí inmheánacha agus seachtracha de na himthacaí 33100 sraithe cruinnithe chun caillteanas maith agus cuimilte íseal a chinntiú, ag leathnú saol na seirbhíse. Ina theannta sin, cuireann dearadh séalaithe an imthacaí cosc ​​ar chur isteach deannaigh agus neamhíonachtaí, ag cinntiú iontaofacht i dtimpeallachtaí crua. Is iondúil go n-úsáidtear é i dtionscail gluaisteán, mianadóireachta, miotalóireachta agus eile, agus tá sé oiriúnach go háirithe do dhálaí oibre trom-ualach agus ardteochta. Le bealaithe agus cothabháil chuí, is féidir le 33100 sraith imthacaí sorcóir barrchaolaithe feidhmíocht den scoth agus oibriú cobhsaí a sholáthar, ag freastal ar na riachtanais arda maidir le himthacaí i dtionscal nua -aimseartha. $ $ $

Seol Fiosrúchán

Paraiméadair Táirge

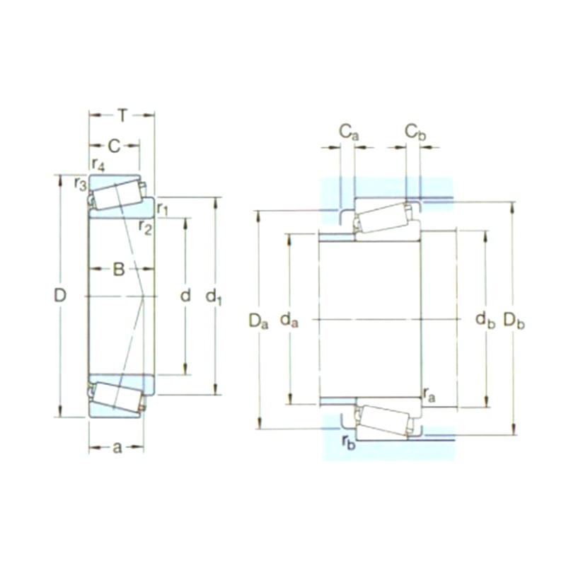
Ainmniú Príomhthoisí (mm) Rátálacha Bun -Ualach (KN) Put Rátálacha luais (RPM) MOáchan (kg) ISO335 Toisí (mm) Toisí teannta agus filléaD (mm) Luach
D1 D B DYC (CR) STC (Cor) Rátálacha luais Luas teorannaithe Toisí (ABMA) d D1 ~ B C R1,2 (min) R3,4 (min) a da (max) DB (Min) Da (min) Da (max) DB (Min) CA (min) SL (min) ra (max) RB (Max) e Y Yo
33108/q 40 75 26 91,5 104 11,4 7000 9000 0,51 2 ag 40 57,5 26 20,5 1,5 1,5 18 47 47 65 68 71 4 5,5 1,5 1,5 0,35 1,7 0,9
33109/q 45 80 26 96,5 114 12,9 6700 8000 0,56 3ce 45 62,7 26 20,5 1,5 1,5 19 52 52 69 73 77 4 5,5 1,5 1,5 0,37 1,6 0,9
33110/q 50 85 26 100 122 13,4 6000 7500 0,59 3ce 50 67,9 26 20 1,5 1,5 20 57 57 74 78 82 4 6 1,5 1,5 0,4 1,5 0,8 $ $ $
33111/q 55 95 30 110 156 17,6 5000 6700 0,86 3ce 55 75,1 30 23 1,5 1,5 22 63 62 83 88 91 5 7 1,5 1,5 0,37 1,6 0,9
33112/q 60 100 30 134 170 19,6 5300 6300 0,92 3ce 60 80,4 30 23 1,5 1,5 23 67 67 88 93 96 5 7 1,5 1,5 0,4 1,5 0,8
33113/q 65 110 34 142 208 24 4300 5600 1,30 3de 65 87,9 34 26,5 1,5 1,5 26 74 72 96 103 106 6 7,5 1,5 1,5 0,4 1,5 0,8
33114/Q 70 120 37 172 250 30 4000 5300 1,70 3de 70 94,8 37 29 2 1,5 28 80 79 104 112 115 6 8 2 1,5 0,37 1,6 0,9
33115/q 75 125 37 176 265 31,5 3800 5000 1,80 3de 75 100 37 29 2 1,5 29 84 84 109 117 120 6 8 2 1,5 0,4 1,5 0,8
33116/q 80 130 37 179 280 32,5 3600 4800 1,90 3de 80 105 37 29 2 1,5 30 89 89 114 122 126 6 8 2 1,5 0,43 1,4 0,8
33116tn9/q 80 130 37 179 280 32,5 3600 4800 1,90 3de 80 105 37 29 2 1,5 30 89 89 114 122 126 6 8 2 1,5 0,43 1,4 0,8
33117/q 85 140 41 220 340 38 3400 4500 2,45 3de 85 112 41 32 2,5 2 32 95 95 122 130 135 7 9 2 2 0,4 1,5 0,8
33118/q 90 150 45 251 390 43 3000 4300 3,10 3de 90 120 45 35 2,5 2 35 101 101 130 140 144 7 10 2 2 0,4 1,5 0,8
33118tn9/q 90 150 45 251 390 43 3000 4300 3,10 3de 90 120 45 35 2,5 2 35 101 101 130 140 144 7 10 2 2 0,4 1,5 0,8
33122 110 180 56 369 630 67 2600 3400 5,55 3) 110 146 56 43 2,5 2 44 121 121 155 170 174 9 13 2 2 0,43 1,4 0,8

Maidir Yinin

Cuideachta imthacaí agus tarchuir Shanghai Yinin Bunaithe i 2009, le breis agus 20 bliain de thaithí i réimse na n-imthacaí. Is Monaróir Sraith 33100 Imthacaí sorcóir barrchaolaithe Síneach muid agus soláthraímid Monarcha Sraith 33100 Imthacaí sorcóir barrchaolaithe Saincheaptha. Ó 1999 i leith, táimid ag gníomhú mar ghníomhaire do mhonaróirí imthacaí na Síne, ag onnmhairiú imthacaí éagsúla. Sa lá atá inniu ann, táimid forbartha ina ngrúpa imthacaí cuimsitheach a chomhtháthaíonn díolacháin agus déantúsaíocht.

Feidhmchláir Tionscail

Tá ról an -tábhachtach ag imthacaí freisin in innealra talmhaíochta. Úsáidtear iad chun tacú le c...

Úsáidtear imthacaí go forleathan i ngluaisteáin. Is iad na príomhchodanna tacaíochta agus rothlac...

Úsáidte le haghaidh tacaíochta, airde, uillinn, comhpháirteach agus rothlach de threalamh leighis...

Úsáidte le haghaidh tacaíochta, uainíochta, mótair agus comhbhrúiteora de fhearais tí. $ $ $

Úsáidte le haghaidh uainíochta agus gluaiseachta tacaíochta agus treorach de threalamh uathoibrit...

I struchtúir foirgníochta, is féidir imthacaí a úsáid chun comhpháirteanna struchtúracha éagsúla ...

Sa phróiseas táirgthe bia agus deochanna, tá gá le caidéil chun leachtanna agus comhbhrúiteoirí a...

Baintear úsáid as imthacaí in aerárthaí agus innill spásárthaí chun tacú le comhpháirteanna rothl...

Nuacht agus Faisnéis

Foghlaim Tuilleadh

2026-02-26

Cad iad na Difríochtaí Criticiúla idir Gráid Beachtais ...
I saol ard-chruinneas meaisínithe Rialú Uimhriúil Ríomhaireachta (CNC), tá feidhmíocht an 6000 imthacaí liathróid bunúsach chun cruinneas fo-mhiocrón a bhaint amach. Mar chapall oibre an ...

2026-02-19

Anailís Theicniúil: Cad iad na Príomhdhifríochtaí Idir ...
I réimse na hinnealtóireachta ard-chruinneas, roghnú an t-ábhar ceart le haghaidh imthacaí liathróid cruach dhosmálta groove domhain is cinneadh é a ordaíonn saolré oibriúcháin agus s...

2026-02-12

An bhfuil Bearing Liathróid Cruach Dhosmálta 6200 Riach...
I réimse na hinnealtóireachta tairiscint rothlacha, tá an tsraith 6200 ar cheann de na imthacaí gránach domhain groove is mó a úsáidtear mar gheall ar a solúbthacht agus cumas ualach gathacha optam...

Déan Teagmháil Linn

SUBMIT

Comhairliúchán Teicniúil

  • Cuideachta imthacaí agus tarchuir Shanghai Yinin

    Réitigh Saincheaptha

  • Cuideachta imthacaí agus tarchuir Shanghai Yinin

    T&F Leanúnach

  • Cuideachta imthacaí agus tarchuir Shanghai Yinin

    Rialú Cáilíochta

  • Cuideachta imthacaí agus tarchuir Shanghai Yinin

    Tacaíocht agus Oiliúint Theicniúil

  • Cuideachta imthacaí agus tarchuir Shanghai Yinin

    Freagra Tapa

Má tá aon chomhairliúchán teicniúil nó aiseolas agat, cuirfimid an freagra is gairmiúla ar fáil duit a luaithe is féidir!

Déan Teagmháil Linn