Sraith 33200 Imthacaí sorcóir barrchaolaithe
Sraith 33200 Imthacaí sorcóir barrchaolaithe
Sraith 33200 Imthacaí sorcóir barrchaolaithe

Sraith 33200

Sraith 33200 imthacaí sorcóir barrchaolaithe is cineál imthacaí iad a úsáidtear go coitianta in iarratais tromshaothair agus ardchruinnithe. Is éard atá sa chineál seo imthacaí ná fáinne inmheánach, fáinne seachtrach, rollóirí agus caighean, agus tá cumas den scoth ag ualach agus friotaíocht a chaitheamh. Ceadaíonn a dhearadh an t -imthacaí a sheasamh chun ualaí gathacha agus aiseach a sheasamh le linn oibriú, agus tá sé oiriúnach le húsáid i ngluaisteáin, innealra innealtóireachta, iarnróid agus réimsí eile. Soláthraíonn rollóirí barrchaolaithe an tsraith 33200 limistéar teagmhála níos mó, rud a fheabhsaíonn cumas ualach agus cobhsaíocht oibríochtúil. Is iondúil go ndéantar an tsraith imthacaí seo as cruach chóimhiotail ardchaighdeáin agus go bhfuil friotaíocht teasa agus friotaíocht creimthe den scoth aici, ag cinntiú go bhfuil siad iontaofachta i dtimpeallachtaí oibre géara. Ina theannta sin, éascaíonn dearadh caighdeánaithe an imthacaí 33200 sraith athsholáthar agus cothabháil agus laghdaíonn sé costais úsáide. $ $

Seol Fiosrúchán

33200 sraith sorcóir barrchaolaithe - ualach ard, saol fada, réitigh thionsclaíocha beachtais

An 33200 sraith sorcóir barrchaolaithe Is é atá i gceist le héagsúlacht ardfheidhmíochta, ard-bheachtais atá oiriúnach do éagsúlacht feidhmeanna tionsclaíocha agus meicniúla. Comhcheanglaíonn a dhearadh cumas ualach gathacha agus aiseach chun ualaí arda a sheasamh agus chun oibriú réidh a bhaint amach. Úsáidtear an tsraith imthacaí seo go forleathan i bhfeithicil, trealamh tionsclaíoch, aeraspáis, fuinnimh agus réimsí eile.

1. Cumas ualach Super
Feabhsaíonn an dearadh teagmhála sorcóir agus rib optamaithe aonfhoirmeacht dáileacháin ualaigh agus méadaíonn sé cumas ualach dinimiciúil 20% i gcomparáid le himthacaí caighdeánacha.
Oiriúnach do thimpeallachtaí ualaigh agus creathaidh (mar shampla innealra mianadóireachta, trucailí troma).

2. Saol na Seirbhíse sínte
Feabhsaíonn an próiseas cóireála teasa speisialta (teicneolaíocht charbóinídídí) cruas dromchla (HRC 60) agus méadaíonn sé saol tuirse 30%.
Tá roghanna sciath-cruthúnas meirge (mar shampla fosfáit nó plating since) oiriúnach do thimpeallachtaí tais nó creimneacha.

3. Oibriú Beachtas agus Tomhaltas Fuinnimh Íseal
Laghdaíonn cruinneas leibhéal ISO P5 (roghnach P4) caillteanas cuimilte agus cuidíonn sé le trealamh fuinneamh a shábháil suas le 15%.
Dearadh réamh-ualaigh inchoigeartaithe chun riachtanais tarchuir ardchruinnithe a chomhlíonadh (mar fhearsaid uirlisí meaisín).

4. Inoiriúnaitheacht ilfheidhmeach
Méideanna impiriúla agus méadracha a sholáthar (mar shampla 33205, 33206, 33212, etc.), atá comhoiriúnach le brandaí príomhshrutha agus samhlacha idirmhalartaithe.
Tacú le saincheapadh (rónta, ramhar, ábhair).

Réimsí iarratais
Tionscal na ngluaisteán: Úsáidte le haghaidh difreálacha feithicleach, giarbhoscaí, mótair, etc.
Innealra Tionsclaíoch: mar uirlisí meaisín, criosanna iompair, caidéil, lucht leanúna, srl.
Trealamh Fuinnimh: Mar ghineadóirí, tuirbíní, comhbhrúiteoirí, etc.
Aerospace: Úsáidte le haghaidh príomh -chomhpháirteanna amhail innill aerárthaí agus giaranna tuirlingthe.
Fearais tí: mar mheaisíní níocháin, cuisneoirí, aeroiriúnaithe, srl. $ $

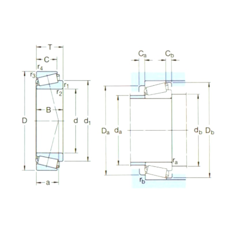
Paraiméadair Táirge

Ainmniú Príomhthoisí (mm) Rátálacha Bun -Ualach (KN) Put Rátálacha luais (RPM) MOáchan (kg) ISO335 Toisí (mm) Toisí teannta agus filléaD (mm) Luach
D1 D B DYC (CR) STC (Cor) Rátálacha luais Luas teorannaithe Toisí (ABMA) d D1 ~ B C R1,2 (min) R3,4 (min) a da (max) DB (Min) Da (min) Da (max) DB (Min) CA (min) SL (min) ra (max) RB (Max) e Y Yo
33205/q 25 52 22 54 56 6 10000 13000 0,23 2dE 25 38,6 22 18 1 1 14 30 31 43 46 49 4 4 1 1 0,35 1,7 0,9 $ $
33206/q 30 62 25 75 76,5 8,5 8500 11000 0,37 2dE 30 45,8 25 19,5 1 1 16 36 36 53 56 59 5 5,5 1 1 0,35 1,7 0,9
33208/qcl7c 40 80 32 120 132 15 6300 8500 0,77 2dE 40 59,7 32 25 1,5 1,5 21 47 47 67 73 76 5 7 1,5 1,5 0,35 1,7 0,9
33209/q 45 85 32 108 143 16,3 5300 7500 0,82 3de 45 65,2 32 25 1,5 1,5 22 52 52 72 78 81 5 7 1,5 1,5 0,4 1,5 0,8
33210/q 50 90 32 114 160 18,3 5000 7000 0,90 3de 50 70,7 32 24,5 1,5 1,5 23 57 57 77 83 87 5 7,5 1,5 1,5 0,4 1,5 0,8
33211/q 55 100 35 138 190 21,6 4500 6300 1,20 3de 55 77,6 35 27 2 1,5 25 63 64 85 93 96 6 8 2 1,5 0,4 1,5 0,8
33212/q 60 110 38 168 236 26,5 4000 6000 1,60 3) 60 85,3 38 29 2 1,5 27 69 68 93 103 105 6 9 2 1,5 0,4 1,5 0,8
33213/q 65 120 41 194 270 30,5 3800 5300 2,05 3) 65 92,1 41 32 2 1,5 29 75 74 102 113 115 6 9 2 1,5 0,4 1,5 0,8
33213tn9/q 65 120 41 194 270 30,5 3800 5300 2,05 3) 65 92,1 41 32 2 1,5 29 75 74 102 113 115 6 9 2 1,5 0,4 1,5 0,8
33214/q 70 125 41 201 285 32,5 3600 5000 2,10 3) 70 97,2 41 32 2 1,5 30 79 78 107 115 120 6 9 2 1,5 0,4 1,5 0,8
33215/q 75 130 41 209 300 34 3400 4800 2,25 3) 75 102 41 31 2 1,5 32 84 84 111 122 125 6 10 2 1,5 0,43 1,4 0,8
33216/q 80 140 46 251 375 41,5 3200 4500 2,90 3) 80 110 46 35 2,5 2 35 89 90 119 130 135 7 11 2 2 0,43 1,4 0,8
33217/q 85 150 49 286 430 48 3000 4300 3,70 3) 85 117 49 37 2,5 2 37 96 95 128 140 144 7 12 2 2 0,43 1,4 0,8
33219 95 170 58 374 560 62 2600 3800 5,50 3Fe 95 132 58 44 3 2,5 42 107 107 144 158 163 9 14 2,5 2 0,40 1,5 0,8
33220 100 180 63 429 655 71 2400 3600 6,95 3Fe 100 139 63 48 3 2,5 43 112 112 151 168 172 10 15 2,5 2 0,4 1,5 0,8
30332J2 160 340 75 913 1180 114 1500 2000 29,0 2Gb 160 233 68 58 5 4 61 201 180 290 323 310 9 17 4 3 0,35 1,7 0,9

Maidir Yinin

Cuideachta imthacaí agus tarchuir Shanghai Yinin Bunaithe i 2009, le breis agus 20 bliain de thaithí i réimse na n-imthacaí. Is Monaróir Sraith 33200 Imthacaí sorcóir barrchaolaithe Síneach muid agus soláthraímid Monarcha Sraith 33200 Imthacaí sorcóir barrchaolaithe Saincheaptha. Ó 1999 i leith, táimid ag gníomhú mar ghníomhaire do mhonaróirí imthacaí na Síne, ag onnmhairiú imthacaí éagsúla. Sa lá atá inniu ann, táimid forbartha ina ngrúpa imthacaí cuimsitheach a chomhtháthaíonn díolacháin agus déantúsaíocht.

Feidhmchláir Tionscail

Tá ról an -tábhachtach ag imthacaí freisin in innealra talmhaíochta. Úsáidtear iad chun tacú le c...

Úsáidtear imthacaí go forleathan i ngluaisteáin. Is iad na príomhchodanna tacaíochta agus rothlac...

Úsáidte le haghaidh tacaíochta, airde, uillinn, comhpháirteach agus rothlach de threalamh leighis...

Úsáidte le haghaidh tacaíochta, uainíochta, mótair agus comhbhrúiteora de fhearais tí. $ $ $

Úsáidte le haghaidh uainíochta agus gluaiseachta tacaíochta agus treorach de threalamh uathoibrit...

I struchtúir foirgníochta, is féidir imthacaí a úsáid chun comhpháirteanna struchtúracha éagsúla ...

Sa phróiseas táirgthe bia agus deochanna, tá gá le caidéil chun leachtanna agus comhbhrúiteoirí a...

Baintear úsáid as imthacaí in aerárthaí agus innill spásárthaí chun tacú le comhpháirteanna rothl...

Nuacht agus Faisnéis

Foghlaim Tuilleadh

2026-02-26

Cad iad na Difríochtaí Criticiúla idir Gráid Beachtais ...
I saol ard-chruinneas meaisínithe Rialú Uimhriúil Ríomhaireachta (CNC), tá feidhmíocht an 6000 imthacaí liathróid bunúsach chun cruinneas fo-mhiocrón a bhaint amach. Mar chapall oibre an ...

2026-02-19

Anailís Theicniúil: Cad iad na Príomhdhifríochtaí Idir ...
I réimse na hinnealtóireachta ard-chruinneas, roghnú an t-ábhar ceart le haghaidh imthacaí liathróid cruach dhosmálta groove domhain is cinneadh é a ordaíonn saolré oibriúcháin agus s...

2026-02-12

An bhfuil Bearing Liathróid Cruach Dhosmálta 6200 Riach...
I réimse na hinnealtóireachta tairiscint rothlacha, tá an tsraith 6200 ar cheann de na imthacaí gránach domhain groove is mó a úsáidtear mar gheall ar a solúbthacht agus cumas ualach gathacha optam...

Déan Teagmháil Linn

SUBMIT

Comhairliúchán Teicniúil

  • Cuideachta imthacaí agus tarchuir Shanghai Yinin

    Réitigh Saincheaptha

  • Cuideachta imthacaí agus tarchuir Shanghai Yinin

    T&F Leanúnach

  • Cuideachta imthacaí agus tarchuir Shanghai Yinin

    Rialú Cáilíochta

  • Cuideachta imthacaí agus tarchuir Shanghai Yinin

    Tacaíocht agus Oiliúint Theicniúil

  • Cuideachta imthacaí agus tarchuir Shanghai Yinin

    Freagra Tapa

Má tá aon chomhairliúchán teicniúil nó aiseolas agat, cuirfimid an freagra is gairmiúla ar fáil duit a luaithe is féidir!

Déan Teagmháil Linn