Áit / Táirgeacht / Béil / Imthacaí sorcóir barrchaolaithe / Fáinne seachtrach le sraith flanges
Fáinne seachtrach le sraith flanges Imthacaí sorcóir barrchaolaithe
Fáinne seachtrach le sraith flanges Imthacaí sorcóir barrchaolaithe
Fáinne seachtrach le sraith flanges Imthacaí sorcóir barrchaolaithe

Fáinne seachtrach le sraith flanges

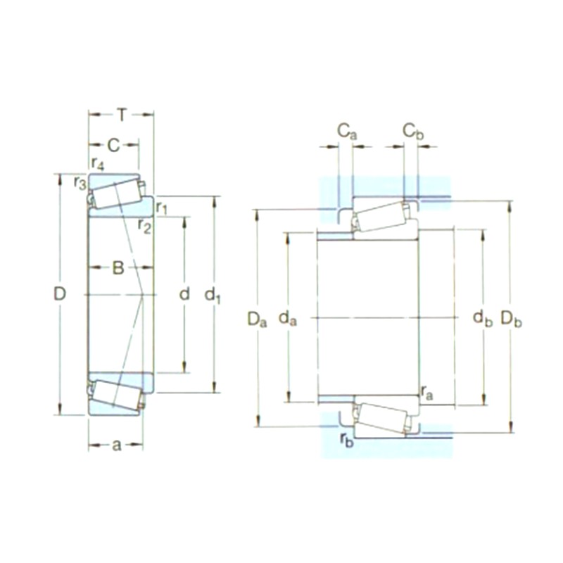
Is imthacaí rollta an -éifeachtach iad imthacaí sorcóir barrchaolaithe le fáinní seachtracha flanged atá deartha chun ualaí aiseach agus gathacha a sheasamh. Tá a fháinne seachtrach feistithe le flange, ar féidir é a shocrú agus a shuíomh go héifeachtach, ag feabhsú cobhsaíocht an imthacaí i ualaí arda agus timpeallachtaí oibre crua. Cuireann an struchtúr sorcóir barrchaolaithe ar a chumas ualaí gathacha móra a sheasamh chomh maith le hualaí aiseach. Tá sé oiriúnach le haghaidh innealra trom, gluaisteán, eitlíocht agus réimsí eile. Méadaíonn dearadh uillinne teagmhála an imthacaí seo acmhainn ualaigh agus saol seirbhíse agus ag an am céanna ag laghdú cuimilte agus giniúint teasa. Le bealaithe agus cothabháil chuí, is féidir le himthacaí sorcóir barrchaolaithe le flange ar an bhfáinne seachtrach feidhmíocht oibriúcháin réidh agus éifeachtúlacht oibre iontaofa a sholáthar, agus is príomh -chomhpháirt fíor -riachtanach iad i dtrealamh meicniúil nua -aimseartha. $ $ $

Seol Fiosrúchán

Paraiméadair Táirge

Ainmniú Príomhthoisí (mm) Rátálacha Bun -Ualach (KN) Put Rátálacha luais (RPM) MOáchan (kg) Toisí (mm) Toisí teannta agus filléaD (mm) Luach
D1 D B DYC (CR) STC (Cor) Rátálacha luais Luas teorannaithe d D1 ~ D1 B C C1 R1,2 (min) R3,4 (min) a da (max) DB (Min) ra (max) e Y Yo
32008XR/QVA621 40 68 19 60 71 7,65 7500 9500 0,27 40 54,2 72 19 14,5 3,5 1 1 15 46 46 1 0,37 1,6 0,9 $ $ $
30208rj2/q 40 80 19,75 71 68 7,65 7000 8500 0,42 40 57,5 85 18 16 4 1,5 1,5 16 49 47 1 0,37 1,6 0,9
33209r/q 45 85 32 108 143 16,3 5300 7500 0,85 45 65,2 90 32 25 5 1,5 1,5 22 52 52 1 0,4 1,5 0,8
32309brj2/qcl7c 45 100 38,25 156 176 20 5000 6700 1,50 45 74,8 106 36 30 7 2 1,5 30 55 54 1,5 0,54 1,1 0,6
32311brj2/qcl7c 55 120 45,5 216 260 30 4300 5600 2,50 55 90,5 127 43 35 8 2,5 2 36 67 65 2 0,54 1,1 0,6
33113r/q 65 110 34 142 208 24 4300 5600 1,30 65 87,9 116 34 26,5 5,5 1,5 1,5 26 74 72 1 0,4 1,5 0,8
30313rj2 65 140 36 194 228 27,5 3600 4800 2,40 65 98,3 147 33 28 6 3 2,5 28 84 77 2 0,35 1,7 0,9
30313rj2 65 140 36 194 228 27,5 3600 4800 2,40 65 98,3 147 33 28 6 3 2,5 28 84 77 2 0,35 1,7 0,9

Maidir Yinin

Cuideachta imthacaí agus tarchuir Shanghai Yinin Bunaithe i 2009, le breis agus 20 bliain de thaithí i réimse na n-imthacaí. Is Monaróir Fáinne seachtrach le sraith flanges Imthacaí sorcóir barrchaolaithe Síneach muid agus soláthraímid Monarcha Fáinne seachtrach le sraith flanges Imthacaí sorcóir barrchaolaithe Saincheaptha. Ó 1999 i leith, táimid ag gníomhú mar ghníomhaire do mhonaróirí imthacaí na Síne, ag onnmhairiú imthacaí éagsúla. Sa lá atá inniu ann, táimid forbartha ina ngrúpa imthacaí cuimsitheach a chomhtháthaíonn díolacháin agus déantúsaíocht.

Feidhmchláir Tionscail

Tá ról an -tábhachtach ag imthacaí freisin in innealra talmhaíochta. Úsáidtear iad chun tacú le c...

Úsáidtear imthacaí go forleathan i ngluaisteáin. Is iad na príomhchodanna tacaíochta agus rothlac...

Úsáidte le haghaidh tacaíochta, airde, uillinn, comhpháirteach agus rothlach de threalamh leighis...

Úsáidte le haghaidh tacaíochta, uainíochta, mótair agus comhbhrúiteora de fhearais tí. $ $ $

Úsáidte le haghaidh uainíochta agus gluaiseachta tacaíochta agus treorach de threalamh uathoibrit...

I struchtúir foirgníochta, is féidir imthacaí a úsáid chun comhpháirteanna struchtúracha éagsúla ...

Sa phróiseas táirgthe bia agus deochanna, tá gá le caidéil chun leachtanna agus comhbhrúiteoirí a...

Baintear úsáid as imthacaí in aerárthaí agus innill spásárthaí chun tacú le comhpháirteanna rothl...

Nuacht agus Faisnéis

Foghlaim Tuilleadh

2026-03-26

Cad iad na Buntáistí Struchtúracha a bhaineann le hÚsái...
In innealtóireacht mheicniúil ard-chruinneas, is minic a chinneann an rogha idir comhpháirteanna comhtháite agus tionóil modúlach cobhsaíocht deiridh an chórais. Le haghaidh feidhmchláir rothlacha ...

2026-03-19

Cén fáth a bhfuil Do 6000 Bearing Liathróid róthéamh, a...
I réimse na n-innealra rothlach cruinneas, an 6000 imthacaí liathróid Is comhpháirt uileláithreach é, a bhfuil bail ar fónamh uirthi mar gheall ar a chumas ualaí gathacha agus aiseach...

2026-03-12

Cén fáth a bhfuil Imthacaí Liathróid Deep Groove Cruach...
I dtimpeallacht ard-geallta na déantúsaíochta bia agus dí, tá iontaofacht mheicniúil agus sábháilteacht bhitheolaíoch doscartha. Rogha na imthacaí liathróid cruach dhosmálta groove domhain I...

Déan Teagmháil Linn

SUBMIT

Comhairliúchán Teicniúil

  • Cuideachta imthacaí agus tarchuir Shanghai Yinin

    Réitigh Saincheaptha

  • Cuideachta imthacaí agus tarchuir Shanghai Yinin

    T&F Leanúnach

  • Cuideachta imthacaí agus tarchuir Shanghai Yinin

    Rialú Cáilíochta

  • Cuideachta imthacaí agus tarchuir Shanghai Yinin

    Tacaíocht agus Oiliúint Theicniúil

  • Cuideachta imthacaí agus tarchuir Shanghai Yinin

    Freagra Tapa

Má tá aon chomhairliúchán teicniúil nó aiseolas agat, cuirfimid an freagra is gairmiúla ar fáil duit a luaithe is féidir!

Déan Teagmháil Linn