Sraith SG Imthacaí sorcóir a rianú
Sraith SG Imthacaí sorcóir a rianú
Sraith SG Imthacaí sorcóir a rianú

Sraith SG

Sorcóir fithise sraith sg Is táirge ardfheidhmíochta é atá deartha go speisialta le haghaidh córais rian agus treorach. Baineann siad úsáid as ardphróisis mhonaraithe agus as ábhair ardchaighdeáin chun cobhsaíocht agus marthanacht a chinntiú i ndálaí foircneacha. Tá cumas iompair ualach den scoth ag an imthacaí seo agus tá sé oiriúnach le haghaidh feidhmchlár tromshaothair agus ardluais amhail iarnróid, innealra tógála agus trealamh iompair. I measc na ngnéithe dearaidh den tsraith SG tá eilimint rollta optamaithe agus cruthanna fáinne istigh agus seachtrach chun cuimilte a laghdú agus éifeachtúlacht a fheabhsú. Ina theannta sin, feidhmíonn na himthacaí seo go maith freisin maidir le friotaíocht séalaithe agus deannaigh, ag leathnú a saol seirbhíse go héifeachtach. Cibé acu i dtimpeallachtaí crua nó i gcoinníollacha casta oibriúcháin, is féidir le himthacaí sorcóir fithise SG feidhmíocht iontaofa a sholáthar agus oibriú sábháilte an trealaimh a chinntiú. $ $

Seol Fiosrúchán

Imthacaí sorcóir rian sraithe SG-Réitigh Tionscail Ard-Luadála, Fadtréimhseach

Imthacaí sorcóir sraithe sraith SG Is imthacaí sorcóir tromshaothair iad atá deartha le haghaidh timpeallachtaí tionsclaíocha crua, atá oiriúnach le haghaidh ualaí ardtionchair, oibriú leanúnach agus coinníollacha teochta foircneacha. Déanta as próisis mhonaraithe cruach agus beachta ardcháilíochta, cinntíonn siad go bhfuil frithchuimilt íseal, déine ard agus saol seirbhíse thar a bheith fada, rud a fhágann go bhfuil siad oiriúnach do innealra tógála, trealamh uathoibrithe agus córais iarnróid.

Marthanacht den scoth
Déanta as cruach fholús degassed (SUJ2), le cruas HRC 60-64, méadaítear an fhriotaíocht chaitheamh 50%.
Comhlíonann cóireáil fosfáite dromchla, feidhmíocht cruthúnas meirge caighdeáin ISO, atá oiriúnach do thimpeallachtaí crua amhail taise agus deannach.

Cumas ardualaigh
Sroicheann rátáil ualach dinimiciúil (c) XX KN, sroicheann ualach statach (C0) XX KN (líon isteach de réir sonraí iarbhír), ag tacú le fórsaí gathacha agus aiseach.
Dearadh fáinne seachtrach neartaithe, tá friotaíocht tionchair 30% níos fearr ná táirgí comhchosúla.

Dearadh cothabhála íseal
Struchtúr róin réamh-bhealaithe (séala roghnach LLB nó clúdach deannaigh miotail), an saol ramhar suas le 10,000 uair an chloig.
Tacaíonn dearadh modúlach le hathsholáthar tapa agus laghdaíonn sé downtime.

Oibriú beacht
Grád lamháltais suas go ISO P6, tá luach creathaidh oibriúcháin níos ísle ná an caighdeán tionscail, atá oiriúnach do chóras iarnróid treorach ardchruinnithe.

Cén fáth ar roghnaigh ár sraith SG?
Seirbhís saincheaptha: Tacaíocht a thabhairt do mhéid neamhchaighdeánach, sciath speisialta (mar shampla plating nicil) agus saincheapadh bealaidh.
Fíorú domhanda: Déantar táirgí a onnmhairiú go 30 tír.

Cásanna iarratais
Innealra Tionsclaíoch: Innealra Priontála, Innealra um Dhéanamh páipéar, Innealra Uathoibrithe, Innealra Teicstíle, Meaisíní Díola, Innealra Adhmadóireachta, Innealra Pacáistithe
Trealamh Leictreonach: Airm Róbatacha, Trealamh Tomhais, Ardáin X-Y, Trealamh Leighis, Trealamh Uathoibrithe Monarcha
Innealra rothlach: imoibreoirí cóireála teasa miotail, córais coscáin, srl.
Tionscal Aerospace: coscáin flap aerárthaí, coscáin suíochán, diúracáin, trealamh aerfoirt, srl.
Daoine eile: Craoladh coscáin antenna, rialuithe dorais agus fuinneoige, rialuithe leapacha leighis, áiseanna páirceála, doirse uirlisí meaisín, uathoibriú saotharlainne, srl. $ $

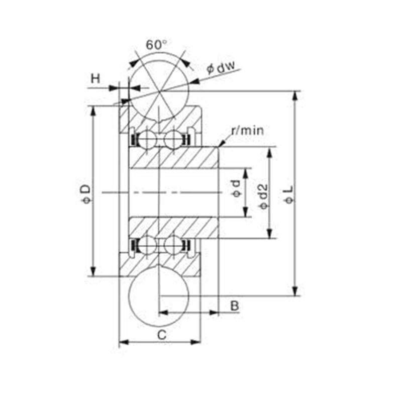
Paraiméadair Táirge

Tíopáil Toisí (mm) Luchtaigh (KN) Ualach
DO D D C B L D2 H Cp Naideanna (Kg)
SG15 6 5 17 8 5.75 20.46 8.6 1 1.27 0.82 8
SG15-10 10 5 17 8 5.75 25.5 8.6 1 1.27 0.82 9
SG20 8 6 24 11 7.25 28.62 11.1 1.2 3.4 1.7 25
SG25 10 8 30 14 8.5 35.77 13 1.5 3.67 2.28 49
SG35 12 12 42 19 12.5 48.93 18 1.5 8.5 5.1 136
SG15N 6 5 17 8 5.75 20.46 8.6 0.5 1.27 0.82 8
SG20N 8 6 24 11 7.25 28.62 11.1 0.7 3.4 1.7 25
SG25N 10 8 30 14 8.5 35.77 13 1 3.67 2.28 49
SG35N $ $ 12 12 42 19 12.5 48.93 18 1 8.5 5.1 136

Maidir Yinin

Cuideachta imthacaí agus tarchuir Shanghai Yinin Bunaithe i 2009, le breis agus 20 bliain de thaithí i réimse na n-imthacaí. Is Monaróir Sraith SG Imthacaí sorcóir a rianú Síneach muid agus soláthraímid Monarcha Sraith SG Imthacaí sorcóir a rianú Saincheaptha. Ó 1999 i leith, táimid ag gníomhú mar ghníomhaire do mhonaróirí imthacaí na Síne, ag onnmhairiú imthacaí éagsúla. Sa lá atá inniu ann, táimid forbartha ina ngrúpa imthacaí cuimsitheach a chomhtháthaíonn díolacháin agus déantúsaíocht.

Feidhmchláir Tionscail

Tá ról an -tábhachtach ag imthacaí freisin in innealra talmhaíochta. Úsáidtear iad chun tacú le c...

Úsáidtear imthacaí go forleathan i ngluaisteáin. Is iad na príomhchodanna tacaíochta agus rothlac...

Úsáidte le haghaidh tacaíochta, airde, uillinn, comhpháirteach agus rothlach de threalamh leighis...

Úsáidte le haghaidh tacaíochta, uainíochta, mótair agus comhbhrúiteora de fhearais tí. $ $ $

Úsáidte le haghaidh uainíochta agus gluaiseachta tacaíochta agus treorach de threalamh uathoibrit...

I struchtúir foirgníochta, is féidir imthacaí a úsáid chun comhpháirteanna struchtúracha éagsúla ...

Sa phróiseas táirgthe bia agus deochanna, tá gá le caidéil chun leachtanna agus comhbhrúiteoirí a...

Baintear úsáid as imthacaí in aerárthaí agus innill spásárthaí chun tacú le comhpháirteanna rothl...

Nuacht agus Faisnéis

Foghlaim Tuilleadh

2026-03-26

Cad iad na Buntáistí Struchtúracha a bhaineann le hÚsái...
In innealtóireacht mheicniúil ard-chruinneas, is minic a chinneann an rogha idir comhpháirteanna comhtháite agus tionóil modúlach cobhsaíocht deiridh an chórais. Le haghaidh feidhmchláir rothlacha ...

2026-03-19

Cén fáth a bhfuil Do 6000 Bearing Liathróid róthéamh, a...
I réimse na n-innealra rothlach cruinneas, an 6000 imthacaí liathróid Is comhpháirt uileláithreach é, a bhfuil bail ar fónamh uirthi mar gheall ar a chumas ualaí gathacha agus aiseach...

2026-03-12

Cén fáth a bhfuil Imthacaí Liathróid Deep Groove Cruach...
I dtimpeallacht ard-geallta na déantúsaíochta bia agus dí, tá iontaofacht mheicniúil agus sábháilteacht bhitheolaíoch doscartha. Rogha na imthacaí liathróid cruach dhosmálta groove domhain I...

Déan Teagmháil Linn

SUBMIT

Comhairliúchán Teicniúil

  • Cuideachta imthacaí agus tarchuir Shanghai Yinin

    Réitigh Saincheaptha

  • Cuideachta imthacaí agus tarchuir Shanghai Yinin

    T&F Leanúnach

  • Cuideachta imthacaí agus tarchuir Shanghai Yinin

    Rialú Cáilíochta

  • Cuideachta imthacaí agus tarchuir Shanghai Yinin

    Tacaíocht agus Oiliúint Theicniúil

  • Cuideachta imthacaí agus tarchuir Shanghai Yinin

    Freagra Tapa

Má tá aon chomhairliúchán teicniúil nó aiseolas agat, cuirfimid an freagra is gairmiúla ar fáil duit a luaithe is féidir!

Déan Teagmháil Linn